Описание
Отзывы
Описание
Металлический корпус с пластиковой крышкой и высокой механической прочностью
Встроенная контактная коробка имеет двойную пружину и длительный механический срок службы
| Параметр | Значение |
| Скорость срабатывания | 5мм- 0,5м/с |
| Частота срабатывания | Механическая: 120 переключений/мин Электрическая: 30 переключений/мин |
| Контактная группа | NO + NC контакты |
| Сопротивление контактов | 25 мОм |
| Сопротивление изоляции | 100 МОм (500 В AC) |
| Напряжение изоляции | 2 кВ в течение минуты |
| Диэлектрическая прочность | 1000 В AC в течение минуты (между контактами) |
| Износостойкость | Механическая: ≥15 млн. циклов Электрическая: ≥ 500 000 циклов |
| Вибростойкость | 10...55 Гц; двойная амплитуда 1,5 мм |
| Ударопрочность | 30 g (продолжительность ~18 мс) |
| Корпус | Металл (сплав алюминия) |
| Условия эксплуатации | −20...+70°C ≤ 95%RH |
| Степень пылевлагозащиты | IP66 |
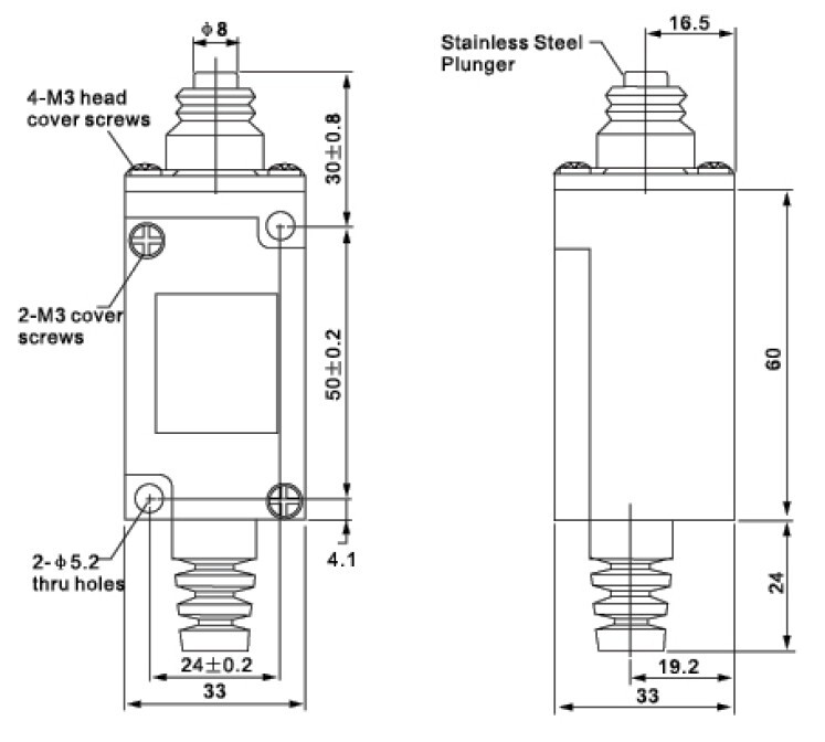
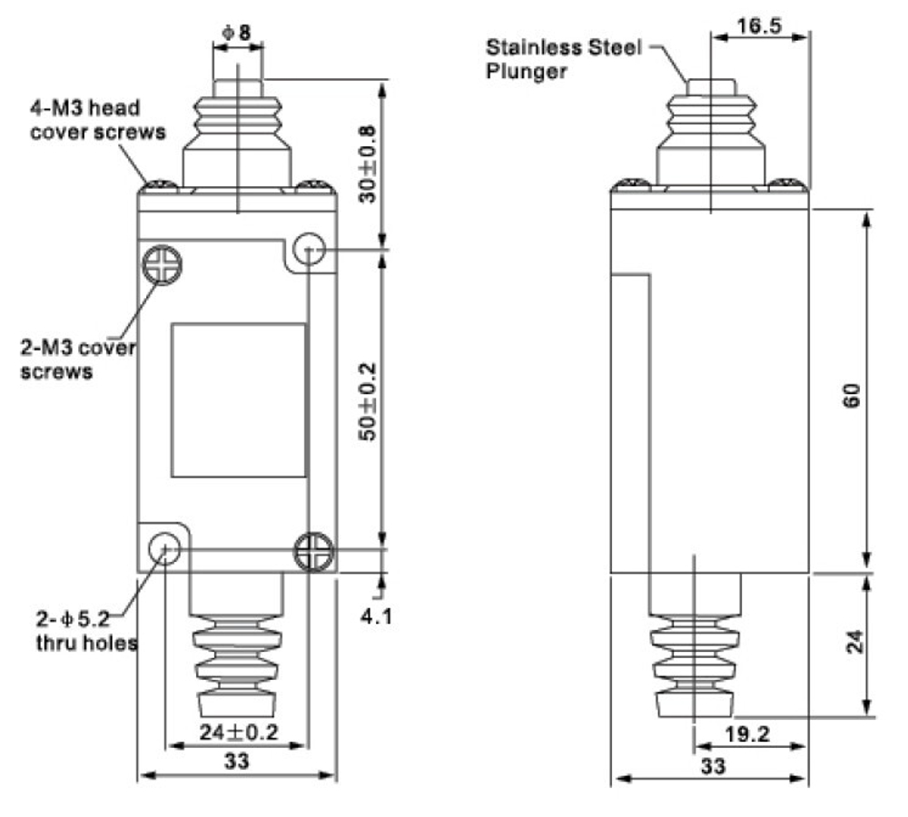
| Габаритные размеры | 33×108,1×33 мм |
HL-5100
8007442197
Выключатель концевой CHL-5100
Конечный выключатель HL-5100 ЭНЕРГИЯ
1PCS NEW CNTD CHL-5100 Micro Limit Switch #W1
Отзывы
Отзывов еще никто не оставлял
