Описание
Отзывы
Описание
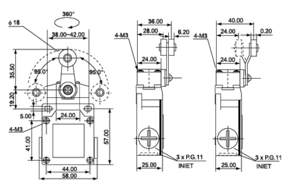
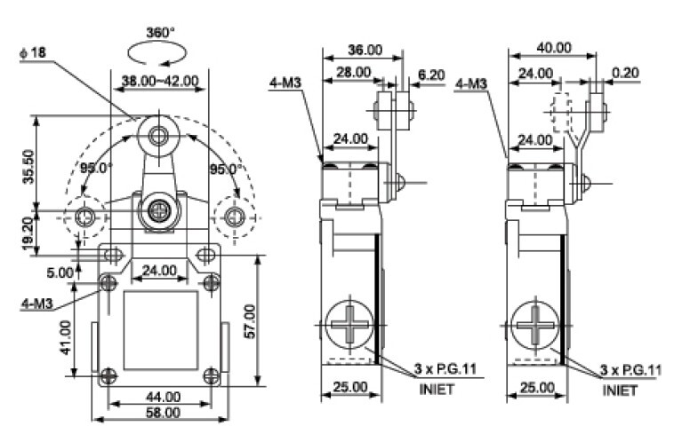
Двухконтурный концевой выключатель
Высокая механическая прочность. Состоит из прочного пластика и алюминиевого литья
Водонепроницаемая и маслостойкая конструкция
Встроенная контактная коробка имеет двойную пружину и длительный механический срок службы
Плавная работа с увеличенным запасом хода
| Параметр | Значение |
| Скорость срабатывания | 5мм- 0,5м/с |
| Частота срабатывания | Механическая: 120 переключений/мин Электрическая: 30 переключений/мин |
| Контактная группа | NO + NC контакты |
| Сопротивление контактов | 25 мОм |
| Сопротивление изоляции | 100 МОм (500 В AC) |
| Напряжение изоляции | 2 кВ в течение минуты |
| Диэлектрическая прочность | 1000 В AC в течение минуты (между контактами) |
| Износостойкость | Механическая: ≥15 млн. циклов Электрическая: ≥ 500 000 циклов |
| Вибростойкость | 10...55 Гц; двойная амплитуда 1,5 мм |
| Ударопрочность | 30 g (продолжительность ~18 мс) |
| Корпус | Металл (сплав алюминия) с пластиковой (PC, PBT) крышкой |
| Условия эксплуатации | −20...+70°C ≤ 95%RH |
| Степень пылевлагозащиты | IP66 |
| Габаритные размеры | 58×111,7×43,1 мм |
CSA-021 концевой выключатель, рычаг с пластиковым роликом поворотный, нерегулируемый по длине
Концевой выключатель SSA-021 - Рычаг с поворотным роликом
концевой выключатель хода CSA-021
Wyłącznik krańcowy CSA-021
Концевой выключатель ВП-15К21
PS21M-US11RT-T00
Отзывы
Отзывов еще никто не оставлял
