Описание
Отзывы
Описание
Двухконтурный тип концевого выключателя
Высокая механическая прочность, в основном состоит из литого алюминия
Водонепроницаемая и маслостойкая конструкция
Встроенная контактная коробка с двойным пружинным механизмом, увеличенный механический срок службы
| Параметр | Значение |
| Скорость срабатывания | 1мм- 1м/с |
| Частота срабатывания | Механическая: 120 переключений/мин Электрическая: 30 переключений/мин |
| Контактная группа | NO + NC контакты |
| Сопротивление контактов | 25 мОм |
| Сопротивление изоляции | 100 МОм (500 В AC) |
| Напряжение изоляции | 2 кВ в течение минуты |
| Диэлектрическая прочность | 1000 В AC в течение минуты (между контактами) |
| Износостойкость | Механическая: ≥15 млн. циклов Электрическая: ≥ 500 000 циклов |
| Вибростойкость | 10...55 Гц; двойная амплитуда 1,5 мм |
| Ударопрочность | 30 g (продолжительность ~18 мс) |
| Корпус | Металл (сплав алюминия) |
| Условия эксплуатации | −20...+80°C ≤ 95%RH |
| Степень пылевлагозащиты | IP66 |
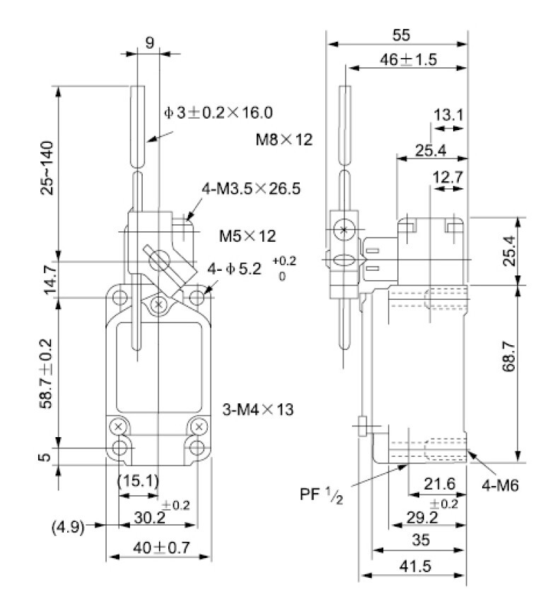
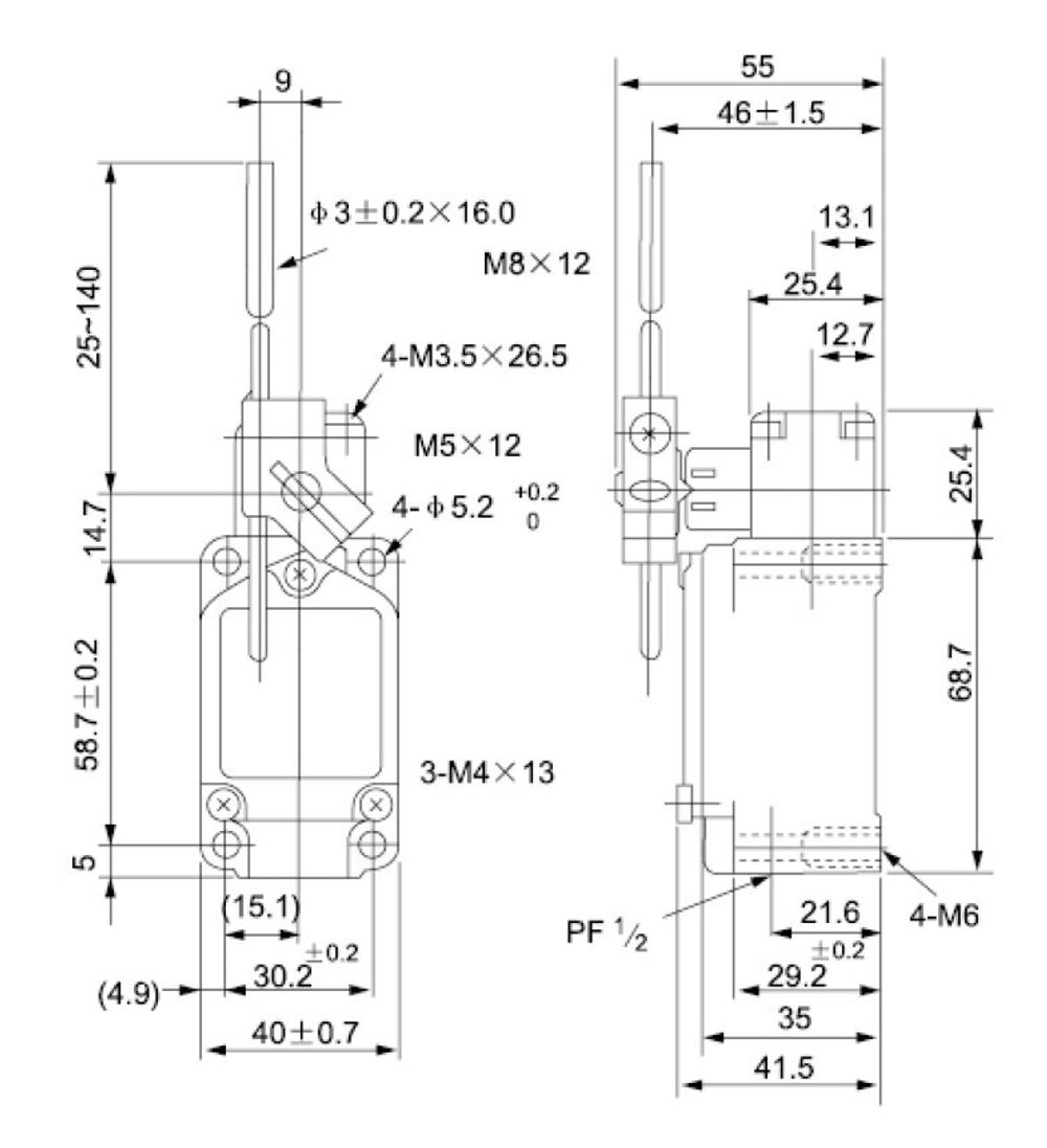
| Габаритные размеры | 53×160...240×40 мм |
Конечный выключатель CWLCL
LSE-WLCL Выключатель концевой WLCL
WL-CL, Выключатель путевой с поворотным рычажным роликом
WLCL-2NLD-N, Limit Switches Limit SW
Отзывы
Отзывов еще никто не оставлял
