- интеллектуальное инверторное управление позволяет экономить до 40% меньше электроэнергии;
- полная изоляция внутри и снаружи, защита от ржавчины, защита от масла и влаги;
- компактный размер, сравнимый с популярными конкурентными моделями;
- гибкая регулировка рабочей температуры от -15 до +55 оС.
- простое меню ЖК-дисплея, легкий доступ к настройке параметров и проверке информации об ошибке.
- обеспечение связи по протоколу MODBUS с функцией запуска при включении питания;
- эффективное решение проблемы отвода конденсата;
- нанопокрытие конденсатора, антикоррозийная стойкость элементов;
- выбираемая сигнализация о задымлении, контроле доступа или утечке;
- 7х24х365 бесперебойная работа более 10 лет;
- цвет серый RAL7035;
- стандартная степень защиты IP54 (может быть увеличена до IP56).
|
Характеристика |
EIA05 |
|
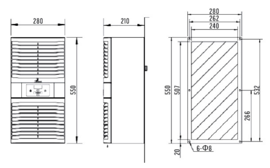
Габаритные размеры ВхШхГ, мм |
550х280х210 |
|
Масса, кг |
17 |
|
Тип установки |
Наружняя |
|
Хладагент |
R134a |
|
Температура эксплуатации, оС |
-15…+55 |
|
Уровень шума, дБ |
65 |
|
Полная мощность охлаждения L35/L35, Вт |
500-550 |
|
Номинальная мощность L35/L35, Вт |
260-280 |
|
Номинальный ток, А |
1,3-1,35 |
|
Напряжение, В |
220 |
|
|
SK 3303.500 SK 3303.510SK 3303.600 SK 3303.610 Холодильный агрегат настенный RTT, 500 Вт, комфортный контроллер, 280 х 550 х 210 мм |
|
|
Настенный холодильный агрегат 0,52 кВт SK 3179.800 SK 3179.801 |
|
|
R5KLM05021LT Навесной кондиционер 500 Вт 230В |
|
|
R5KLM05042LT Навесной кондиционер 500 Вт 400В |
|
|
Настенный холодильный агрегат EGO06BT1B, EGO06CT1B, EGO06GT1B 640Вт |
|
|
Агрегат холодильный 600Вт боковой NSYCU600 |
