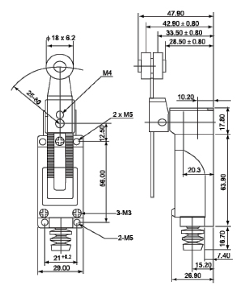
TZ-8108 Концевой выключатель с регулируемым поворотным рычагом (пластиковый ролик).
Актуатор - Поворотный регулируемый рычаг с пластиковым роликом со срабатыванием на отклонение в сторону.
Конечный выключатель предназначен для контроля перемещения установок или частей установок.
|
Параметр |
Значение |
|
Скорость срабатывания |
5мм…0,5 м/с |
|
Частота срабатывания |
Механическая: 120 переключений/мин Электрическая: 30 переключений/мин |
|
Контактная группа |
NO + NC контакты |
|
Сопротивление контактов |
25 мОм |
|
Сопротивление изоляции |
100 МОм (500 В AC) |
|
Напряжение изоляции |
2 кВ в течение минуты |
|
Диэлектрическая прочность |
1000 В AC в течение минуты (между контактами) |
|
Износоустойчивость |
Механическая: >10 млн. циклов |
|
Электрическая: >500 000 циклов |
|
|
Вибростойкость |
10...55 Гц; двойная амплитуда 1,5 мм |
|
Ударопрочность |
30 g (продолжительность ~18 мс) |
|
Корпус |
Металл (сплав алюминия) с пластиковой (PC, PBT) крышкой |
|
Кабельный ввод |
Диаметр кабеля 6...9 мм |
|
Подключение контактов винтовые клеммы, сечение до 2 мм2 |
|
|
Рабочая температура |
-20…+70 °C |
|
Влажность |
<95 %, без конденсата |
|
Масса |
0,12…0,19 кг |
|
Степень защиты |
IP65 |
Выключатель концевой КВ-8108 регулируемый рычаг с пластиковым роликом KKV12-8108-2-65
Концевой выключатель TZ-8108 tz8108
Выключатель путевой с поворотным регулируемым рычажным роликом KZ-8108 (TZ-8108) Al
Выключатель концевой ролик поворотный регулируемый MTB4-LZ8108 (AE-8108)
Выключатель концевой AE-8108 (AZ-8108)
Switch SPDT (DB/DM) Chassis Mount ME-8108
Выключатель концевой HL-5030 (AE-8108) (AZ-8108)
